Description
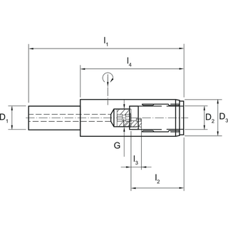
Shrink fit extensions EROGLU, can be used with shrink fit holders and collet chucks. For tools only with shank in tollerance H6
Product specifications
| Technical Code | C3172 |
|---|---|
| Brand Name | EROGLU |
Need more information for this product?
Top sellers in the category














