Beschreibung
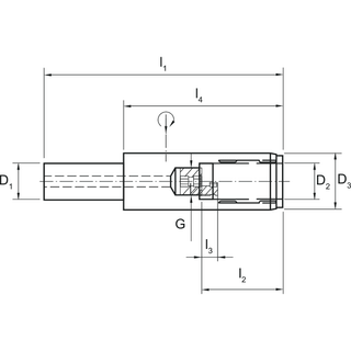
EROGLU, Schrumpfverlängerungen, lassen sich für Schrumpffutter, Hydro-Dehnspannfutter und Spannzangenfutter verwenden. Nur für Werkzeuge mit Schafttoleranz H6.
Produktspezifikationen
| Technical Code | C3172 |
|---|---|
| Hersteller | EROGLU |
Benötigen Sie weitere Informationen zu diesem Produkt?
Top-Verkäufer in der Kategorie














