Opis
Nasze urządzenia do demontażu stożków zostały wyprodukowane z najwyższą dbałością w celu zachowania optymalnego stanu Państwa oprawek.
Cechy konstrukcyjne urządzenia do demontażu stożków zapobiegają ewentualnemu stykowi stożka z podporą dzięki jego kształtowi i obecności O-ringu.
Utrzymanie w czystości wszystkich powierzchni zapewnia zawsze maksymalną wydajność urządzenia.
Dobry stan stożka zapewnia stałe uzyskiwanie dokładnych pomiarów oraz precyzyjnej obróbki.
Obrót - pozycjonowanie
1. Pociągnąć dźwignię obrotu korpusu
2. Umieścić urządzenie do demontażu stożków w pozycji 0°, 90°
3. Zwolnić dźwignię, aby bezpiecznie zablokować urządzenie w położeniu
Blokada oprawki
1. Włożyć oprawkę z dobrze oczyszczonym stożkiem
2. Sprawdzić prawidłowe wprowadzenie na kołek centrujący
3. Przekręcić dźwignię blokującą w kierunku SK lub BT,
w zależności od typu stożka
W celu wyjęcia oprawki
1. Przesunąć dźwignię blokującą w położenie centralne
2. Wyjąć oprawkę
Cechy konstrukcyjne urządzenia do demontażu stożków zapobiegają ewentualnemu stykowi stożka z podporą dzięki jego kształtowi i obecności O-ringu.
Utrzymanie w czystości wszystkich powierzchni zapewnia zawsze maksymalną wydajność urządzenia.
Dobry stan stożka zapewnia stałe uzyskiwanie dokładnych pomiarów oraz precyzyjnej obróbki.
Obrót - pozycjonowanie
1. Pociągnąć dźwignię obrotu korpusu
2. Umieścić urządzenie do demontażu stożków w pozycji 0°, 90°
3. Zwolnić dźwignię, aby bezpiecznie zablokować urządzenie w położeniu
Blokada oprawki
1. Włożyć oprawkę z dobrze oczyszczonym stożkiem
2. Sprawdzić prawidłowe wprowadzenie na kołek centrujący
3. Przekręcić dźwignię blokującą w kierunku SK lub BT,
w zależności od typu stożka
W celu wyjęcia oprawki
1. Przesunąć dźwignię blokującą w położenie centralne
2. Wyjąć oprawkę
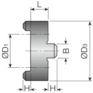
Specyfikacja produktu
| Technical Code | C4525 |
|---|---|
| Marchio | TUKOY |
Potrzebujesz więcej informacji o tym produkcie?
Bestsellery w danej kategorii
















